категория
Схемы сварочных инверторов
Общие характеристики
|
Диапазон рабочего напряжения, В |
140-260 |
|
Максимальный потребляемый ток, А |
35 |
|
Напряжение холостого хода, В |
80 |
|
Напряжение дуги, В |
29 |
|
Диапазон регулирования сварочного тока, А |
10-250 |
|
Продолжительность нагружения, % |
70% 250A |
|
Максимальный диаметр электрода, мм |
6 |
|
Класс защиты |
IP21 |
|
Масса, кг |
5,2 |
Во вложении Вы найдете схемы сварочных инверторов Ресанта САИ-190, САИ-250К, САИ-250ПРОФ, САИ-250ПН взятые из различных источников.
У нас на сайте все в свободном доступе а это значит что скачать схему можно совершенно бесплатно и без регистрации.
Для просмотра файла Вам потребуется архиватор и программа для просмотра формата PDF. Все это Вы найдете на нашем сайте в разделе СОФТ.
Продаете, покупаете или ремонтируете сварочные инверторы? Разместите бесплатное объявление в разделе РАДИОРЫНОК!
Есть вопросы по ремонту сварочных инверторов? Заходите на форум!
Это моя первая статья по радиоэлектроники и это был мой первый ремонт инвертора. Так что прошу не судить слишком строго.
Первым делом разбираю аппарат. Снимаю крышку, откручиваю от неё заземление, разряжаю сетевые емкости лампой 220 вольт на 40 ватт. И произвожу внешний осмотр.
Сразу замечаем подгоревший резистор 22 ома 2 ватт. По схеме этот резистор R10 служит для ограничения тока ИБП аппарата. Заменив его продолжил осмотр перевернув плату. Естественно большую часть внимания уделял узлам импульсного блока питания, так-как сгорел резистор ограничивающий ток именно ИБП. Как и предполагалось обнаружил на SMD резисторе черные точки явно свидетельствующие о выходе из строя. Промерив сопротивление мультиметром убедился что резистор R13 в обрыве. Так-как под рукой не нашел резистора номиналом 1,21 ома, заменил его резисторами на 2,4 ома включенными параллельно. Думаю для токоограничивающего сопротивления повышение мощности только в плюс. R10 ограничивает ток в цепи блока питания и его сгорание свидетельствует о КЗ в данном блоке, а R13 стоит в цепи истока полевого транзистора Q02 качающего трансформатор ИБП. Прозвонив и убедившись в исправности полевика и транса, меряю сопротивление во вторичных цепях ИБП, а именно конденсатора C03 фильтрующего выходную шину VCC, цепи питания реле и вентиляторов, а так же входное сопротивление стабилизатора линии 15 вольт выполненным на микросхеме U3 LM317. Отклонений от нормы выявлено не было. Кстати странно, что стабилизацию шины 15 вольт инженеры реализовали не на мс с фиксированным выходным напряжением. Для облечения дальнейшей диагностики аппарат был подключен к сети. При включении было обнаружено, что ИБП не справляется с нагрузкой и перезапускается с некоторой цикличностью.
Поясню работу ИБП. При подачи сетевого напряжения, ток выпрямляется 2я диодными мостами, заряжает конденсаторы и через резистор плавного пуска R43 идет на линию HT.
Далее через токоограничительный резистор R10 ток поступает на средний вывод трансформатора и ряд сопротивлений заряжающих конденсатор C017 до напряжения питания ШИМ контроллера выполненного на микросхеме U1 UC3842BN. Цепь из этих резисторов ( R7,R8,R9 ) и конденсатора служит для запуска ИБП. После того как ШИМ заработал и подал импульсы на полевой транзистор, во вторичной обмотки трансформатора T2 появится напряжение, которое выпрямляется диодами и подается на различные узлы схемы.
Через диод D03 поступает питание на шину 15 вольт, через D08 на цепь питания вентиляторов и реле, а с D09 на шину VCC, с которой в свою очередь через разделительный диод D011 поступает на питание ШИМ блока питания.
Таким образом после цепи запуска R7-10, C017 ибп пытается запитать себя, вентиляторы шину 15 вольт и реле, но не справляется нагрузкой и глохнет. Кстати реле шунтируют резистор плавного пуска R43. Для дальнейшей диагностики был применен лабораторный блок питания. Выставив напряжение 12 вольт и ограничение по току в 0,5 ампера, поочередно подавал питание на узлы и по потребляемому току проверял работоспособность узла.
Таким образом было установлено, что вентиляторы работают исправно, блок запуска реле в лице транзистора Q01 9013 был неисправен, но не вызывал просадки напряжения, а при подачи напряжения на линию 15 вольт блок уходил в защиту по току.
Было решено демонтировать стабилизацию шины 15 вольт, а именно U3, R42 и R43. После чего напряжение с лабораторного блока питания было приложено к шине 15 вольт напрямую и вновь сработала защита по току. Следовательно неисправность могла остаться только в драйверах силовых IGBT транзисторах или плате управления.
Для выявления виновника плата управления была демонтирована из основной платы при помощи паяльного фена, после чего на линию +15 вольт опять было приложено напряжение с внешнего блока питания. Ток потребления был в норме, а это значит что неисправность спряталась в маленькой платке управления.
Прежде чем ремонтировать ПУ (плата управления) решил вместо стабилизатора на LM317 поставить 7815 с нерегулируемым выходным напряжением 15 вольт. Честно сказать не знаю лучше это или хуже, но я считаю что если шина носит имя 15 вольт, то на ней и должно быть 15 вольт независимо от входного напряжения и нагрузки. Быть может именно из-за такой кривой цепи стабилизации и полетела плата ПУ с чувствительной микросхемой МС33074.
Для данной модернизации пришлось откусить вывод радиатора на котором стояла U3, на её место будет припаян 3 вывод 7815, а 2 (средний) вывод микросхемы был отогнут, к нему припаял провод и усадил все это дело в термоусадочную трубку. Провод был припаян к общему проводу на плате. Ну а 1 вывод был впаян в плату на место 3 вывода LM317. Конечно смотрится это не столь эстетично, но зато надежно работает. Для надежности укрепил радиатор микросхемы термоклеем к плате и окружающим деталям. Надеюсь он некогда не нагреется до температуры плавления термоклея. Так же была произведена замена транзистора Q01 запускающего реле.
После всех манипуляций произвел запуск аппарата (без ПУ естественно). Все включилось, реле щелкнуло, ветродуи задули, напряжение на линии ровно 15 вольт, а не как у некоторых до 20 доходит. Правда думаю в замен щадящего режима питания ПУ, в сетях с повышенным напряжением будет срабатывать зашита, но это редкость в нашей стране, поэтому оставил все как есть. Если уж клиент будет жаловаться на это подшаманю плату управления вводом резистора в цепи компаратора входного напряжения, но это уже другая история…
И так приступаем к диагностики платы управления. Разглядев под хорошим светом плату обнаружил СГОРЕВШУЮ дорожку от 7 ноги ПУ к общей шине. Эх, жаль уже собрал и отдал аппарат и не сделал фото. Дорожки как бы нет, но то что она была свидетельствует отсутствие паяльной маски. То есть ток прошедший по этой цепи был на столько сильным, что буквально испарил дорожку вместе с паяльной маской. Прозвонив диоды обнаружил пробитый диод D09. Заменил. Вместо дорожки кинул перемычку. Далее для проверки пришлось собрать испытательный стенд.
Благодаря статьи (http://diggerweb.ucoz.ru/publ/remont_svarochnykh_invertorov/2_remont_svarochnogo_invertora_resanta_sai_250_gp/2-1-0-23) особо с этим проблемм не было. Вместо стабилитрона на 8 вольт я поставил регулируемый стабилизатор напряжения на LM317T откалиброванный на значение 8 вольт. На вторую ногу 8 вольт, на 7 общий, а на 15 вывод 15 вольт с внешнего БП.
Ток потребления схемы был завышен, чем выводил БП в защиту ( что бы не спалить еще не спаленные элементы ограничение по току у БП оставил 0,5 ампера). Грелась микросхема MC33074, значит нужно менять. В моих запасах такой не обнаружилось поэтому просто демонтировал ее и опять подключил к стенду. Потребление схемы нормализовалось, но так же немного грелась микросхема шим контроллера uc3845, но импульсы с 3 ноги ПУ шли. Было решено все таки поменять контроллер. Так на всякий случай.
В радиомагазинах MC33074 не нашлось, поставил вместо нее LM324. Ставлю на стенд. Ура! Все работает как надо, ток потребления в норме, на выходе красивый ШИМ, ничего не греется.
Запаял ПУ в основную плату, еще раз внешне все проверил, подчистил, пропаял. Силовые транзисторы и диоды кстати особо не смотрел ибо если сгорели то сразу видно, особенно транзисторы, а диоды просто проверил в самом начале прозвонив выходные клеммы(должны звониться как диод).
В силу своей закаленности к бабахам ( после пары неудачных испытаний частотного преобразователя для асинхронного движка на IRAMX сборке ) подключил аппарат без всяких лампочек прямо в сеть и о чудо все нормально заработало. На выходе 70 с копейками вольт. Правда в работе с нагрузкой не тестировал ибо не на чем, но судя по осцилограмам на затворах силовых ключах все в норме.
Надеюсь моя статья принесет пользу ибо сам я очень нуждался в подобной статье в свое время и она могла бы сэкономить мне уйму времени и сил.
Всего доброго,
с уважением князь, быдлоКодер
и радиоэлектроньщик
фсея Руси КоловратЪ.
Сварка_РЕСАНТА_САИ-160-190-220-250(GP).7z
Первички, вторички. Принцип работы сварочного аппарата Основная задача сварочного инвертора «Ресанта САИ» — преобразование переменного тока с частотой 50 Гц в постоянный ток, напряжение при этом достигает значения в В.
Как любая другая техника, сварочные инверторы могут ломаться и требовать соответствующего ремонта. При работе аппарата довольно часто попадают стружки и различная металлическая пыль , что нередко приводит к короткому замыканию.
Широкоимпульсная модуляция получаемого высокочастотного напряжения позволяет подобным аппаратам регулировать сварочный ток. На включенном инверторе работают все индикаторы, однако сварку выполнять невозможно.
Обучающее видео по ремонту сварочных инверторов. Выпуск 1
Это значит, что при работе в А он сможет беспрерывно сваривать значительно дольше, чем аналогичный аппарат с максимальной силой тока в А.
Затем, когда прилипание устраняется, сварочное устройство в самостоятельном режиме восстанавливает рабочие показатели сварки.
Разработкой инвертора занимается одноименная компания, расположенная в Латвии. То есть, во время поджига дуги происходит автоматическое снижение сварочного тока, которое моментально восстанавливается после отрыва электрода.
Все изображения доступны в большом разрешении. Условия хранения инвертора Сварочные аппараты должны храниться при соблюдении определённых условий.
Сила тока регулируется в широком диапазоне, однако верхний предел составляет А.
Ремонт Сварочного Инвертора РЕСАНТА 250
Join the conversation
Он отлично подойдет для тех, кому важна максимальная производительность при бытовом ремонте и при обучении. Может работать с покрытыми электродами диаметром 1,6 — 4 мм.
Во время выбора сварочного электрода электрод может быть диаметром не более 6 миллиметров нужно учитывать и то, что сварочный ток уменьшается тогда, когда снижается показатель входного тока.
Теперь о характеристиках.
Это важный плюс, поскольку Ресанта может похвастаться развитой сетью сервисных центров по всей России.
Оптимальный диаметр электрода для сварки — мм.
Благодаря этому аппарат пригоден, как для деликатной сварки тонкими электродами, когда и у свариваемого металла толщина минимальная, так и более тяжелые операции, на которых выполняется сварка или резка весьма толстого металла. Один в цепи затвора полевого транзистора 4N90C на 47 Ом маркировка — , и два на 2,4 Ом 2R4 — включенных параллельно — в цепи истока того же транзистора.
Широкоимпульсная модуляция получаемого высокочастотного напряжения позволяет подобным аппаратам регулировать сварочный ток. В данном случае решить имеющуюся проблему можно путем использования электрогенераторов, которые устанавливаются в непосредственной близости от сварочного аппарата.
Ресанта САИ-220А : ремонт для себя
Сварочные аппараты инверторные работающие при пониженном напряжении!
При этом инвертор можно использовать для разнообразных сварочных работ.
Ресанта проф относиться к энерго-экономичным сварочным аппаратам за счет высокого КПД преобразования энергии.
Сохраняет работоспособность в широких пределах: — В. Но на большее не рассчитывайте.
В том случае, если электрод во время сварки с трудом отходит от металла, это свидетельствует о наличии в питающей сети низкого напряжения. Модели для новичков Ресанта САИ предупредит вас о перегреве при слишком продолжительной сварке. Затем инвертор выключается и отключается от электрической сети; В последнюю очередь отсоединяются провода держателя и заземления.
На схеме он обозначен, как R 22 Ом, 2Вт. Конечно, мастер своего дела сможет выполнить качественный шов даже с помощью дешевого китайского инвертора.
Cитуация у моего подопечного следующая: после замены всех элементов вышеуказанных элементов и транзистора блок выдает 21V аосле выпрямителя, а после LM На деле это сложно осуществимая задача, поскольку аппарату банально не хватает мощности для сварки толстого металла. Данный аппарат подразумевает возможность контроля силы тока для сварки, что возможно благодаря широкоимпульсной модуляции высокочастотного получаемого напряжения. Смотреть QO6, QO7?
В нашей стране электрические сети далеко не всегда могут выдать необходимые параметры тока. Принципиальная схема показывает расположение и взаимосвязь всех электронных компонентов инвертора.
Поломки, причиной которых является заводской брак и неправильная работа используемых электронных составляющих оборудования. Также нельзя использовать инвертор на открытом воздухе во время выпадения осадков или в помещениях с высоким уровнем влажности воздуха. Работала же она раньше с другими номиналами. С помощью схемы можно найти любой компонент в самом инверторе и, например, заменить его на новый. Трещина и характерные подгары могут быть на той стороне резистора, что обращена к плате.
РЕМОНТ РЕСАНТЫ САИ 190 ПРОФ
Схемы Ресанта САИ
Подобный кабель будет стоит в 4 раза дороже оригинального. В первую очередь к аппарату подключается заземляющий минусовой провод и провод с держателем для электрода.
С другой стороны, это вынужденная мера. Масса аппарата — 4,5 кг. Сварочный аппарат надёжно защищён от перегрева в процессе эксплуатации благодаря такой эффективной системе защиты.
Как любая другая техника, сварочные инверторы могут ломаться и требовать соответствующего ремонта. И так со всеми аппаратами в линейке САИ.
После замены указанных элементов, сварочный инвертор включился, на дисплее показалось значение установленного тока, защумел охлаждающий кулер. Теперь постоянно моргают светодиоды оба, и пытаются запуститься вентиляторы. Устранить проблему понижения мощности аппарата, связанную с сырыми электродами, можно легко и быстро: необходимо тщательно просушить все электроды.
Читайте дополнительно: Схема подключение двухклавишного выключателя
Ищу схему Ресанта САИ 250 ПН
Без схемы невозможен ремонт или изготовление сварочного аппарата своими руками. К примеру, когда на панели управления появляется индикация перегрева. Заранее спасибо
Ниже список наиболее часто встречающихся неисправностей. В том числе, в общественном транспорте.
Схема необходима для понимания сути работы инвертора, а также для поиска нужных компонентов. Особенности инвертора Сварочный аппарат предназначен для использования в бытовых целях, поскольку схема «Ресанты САИ» и его конструкция обеспечивают надёжную и безопасную эксплуатацию даже при значительных скачках и перепадах напряжения. Не нужны генераторы, стабилизаторы напряжения и прочие агрегаты для подключения аппарата к сети.
Поэтому и вес вместе с габаритами существенно меньше. Достаточно генератора мощностью 6,4 кВт, что позволит использовать все функции инвертора. Повреждения изоляционного слоя не только противоречат требованиям безопасности, но и могут спровоцировать выход аппарата из строя. Инвертор попросту не включается в работу.
Ремонт дежурки инвертора РЕСАНТА САИ 220
Skip to content
Сварочный инвертор РЕСАНТА САИ 250 предназначен для профессионального применения и позволяет проводить ручную, ММА, сварку постоянным током штучными покрытыми электродами. Электронная схема РЕСАНТА САИ-250 разработана с использованием IGBT транзисторов — RJH60F5DPQ (RJH60F5), диодов — STTH3003CW и опто драйвера IGBT — HCPL-3120. Плата управления TOP DC 30501438 ENDU CONTROL V1.0 на микросхемах UC3845B, MC33074DG позволяет плавно изменять сварочный ток и использовать функции «ANTI STICK» (антизалипание) и «HOT START» (горячий старт). Блок питания на элементах UC3842BN и FQP4N90C обеспечивает необходимым питанием электронную схему инвертора. Система охлаждения построенная с использованием двух вентиляторов, что способствует поддержанию рабочей температуры в случае продолжительного использования.
Напряжение питания — 220В
Напряжение холостого хода – 80В
Диапазон сварочного тока — 10-250А
Продолжительность нагрузки при токе 250А — 40%
Продолжительность нагрузки при токе 130А — 100%
Диаметры используемых электродов — 1,6-6 мм
Скачать
19 фото 4320*3240
схема сварочного инвертора РЕСАНТА САИ 250 GP44 MAIN V2.0 (оптроны)
TOP DC 30501544 ENDU 160-200
инструкция пользователя (паспорт) РЕСАНТА САИ 250
инструкция по ремонту РЕСАНТА САИ 250
Скачать с Turbobit
![]() |
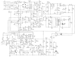
| Схема Ресанта САИ 250 |
Схема сварочного аппарата инвертерного типа Ресанта САИ 250 представлена на рисунке вверху, возможно понадобится кому для ремонта.
Схема Ресанта САИ 250 построена по простому инвертерному принципу — сетевое напряжение выпрямляется, преобразовывается полумостовым преобразователем в более низкое напряжение, выпрямляется и используется для сварки металла.
Для питания низковольтных генераторных цепей и блока автоматики имеется отдельный блок питания, выполненный на микросхеме VIPer20A. Для управления затворами IGBT транзисторов типа G30N60 используются изолирующие драйверы оптронного типа A3120, сигнал на которые поступает с платы управления. Из основных характеристик сварочного аппарата Ресанта САИ 250 — питается от однофазной сети 220 Вольт, максимальный потребляемый ток от сети 35 Ампер, напряжение на выходе без нагрузки 80 Вольт, напряжение дуги 29 Вольт, диапазон регулировки выходного тока от 10 до 250 Ампер, максимальный диаметр используемого сварочного электрода составляет 6 мм. Также прибор оснащён функциями антизалипания электрода и горячего старта. В сварочном аппарате имеется вентилятор, который охлаждает нагревающиеся в процессе работы детали и при отключении аппарата еще работает некоторое время. Блок управления вентилятором построен на транзисторе Q3. Из основных неисправностей которые попадались, это неисправность блока питания на VIPer20A, довольно частое явление. Реже — выход из строя IGBT транзисторов. Надеюсь приведенная схема сварочного аппарата инвертерного типа Ресанта САИ 250 и описание поможет кому-либо в ремонте.


















