В данном руководстве рассматриваются устройство, эксплуатация, неисправности и ремонт подъемников фасадных китайских (люлька фасадная строительная) типа ZLP 500, 630, 800. Освещены устройство и эксплуатация редуктора люльки фасадной, улавливателя (ловителя) троса, электрическая схема, установка китайских консолей люльки фасадной строительной, ее технические характеристики и данные.
Ремонт подъемника.
Запчасти к ZLP.
Испытать подъемник.
Подъемник фасадный
Серии ZLP модель 630
Руководство по эксплуатации
и монтажу
Содержание
Часть 1. Введение……………………………………………….……………………… 2
Часть 2. Технические параметры …………………………………………………… 3
Часть 3. Конструкция ………………………………………………………………… 4
Часть 4. Электрическая система управления ……………………………………….. 9
Часть 5. Установка, наладка и эксплуатация ……………………………………..… 11
Часть 6. Перечень возможных неисправностей и меры по устранению ..……….. 18
Часть 7. Аварийное управление ……………………………………………………. 21
Часть 8. Проверка и техническое обслуживание………………………………….. 21
Часть 9. Стандарты отбраковки основных компонентов и изнашиваемых деталей 24
Часть 10. Перечень основных быстроизнашиваемых деталей ……………………… 25
Часть 11. Правила безопасности …………………………………………………… 25
Часть 12. Упаковка и транспортировка ……………………………………………. 28
Часть 13. Техническое освидетельствование…………………………………………. 28
Часть 14. Техническое обслуживание………………………………………………… 30
Часть 15 Предельные нормы браковки ответственных деталей…………………… 30
Приложение 1 Действия оператора при ручном опускании………………………. 32
Приложение 2 Схема электрическая принципиальная……………………………. 33
Приложение 3 Схема электрических соединений …………………………………. 35
Приложение 5 Устройство лебедки………………………………………………….. 36
Приложение 6 Схема сборки устройства для подвешивания……………………… 37
Полное руководство(с фото)/скачать
Часть 1.
Введение.
Фасадный подъемник (люлька строительная фасадная китайского производства) КЕТОМ-ZLP630 — это управляемое навесное оборудование для работы на высоте. Подъемник подвешивается вдоль фасада здания на канатах и приводится в движение двумя лебедками с канатоведущими шкивами вверх и вниз. Устройство (консоль) для подвешивания платформы установливается наверху (на крыше) здания. Консоль состоит из легко монтируемых элементов, которые поднимаются на крышу здания вручную.
В аварийной ситуации возможно ручное опускание вниз.
Оборудование имеет следующие характеристики: большая область применения, большая рабочая высота, высокая эффективность строительства, нетрудоемкий монтаж.
По сравнению с традиционными лесами фасадный подъемник легче устанавливается и отличается большей безопасностью.
Основные виды применения:
1. Внешнее строительство и отделка зданий или установка забральных стен и внешних компонентов.
2. Внешний уход и чистка зданий.
3. Строительство, проверка и уход за резервуарами большого размера, дымоотводными трубами, дамбами, мостами и буровыми вышками.
4. Сварка, очистка и окраска крупных судов.
5. Установка высоких рекламных щитов.
Часть 2.
Технические параметры.
| Наименование параметра подъемника |
Ед. изм. |
Значение параметра | |
| Номинальная грузоподъемность | кг | 630 | |
| Скорость подъема | м/мин | 9,5 …9,6 | |
| Высота подъема | м | 50* | |
| Размер платформы (Длина х Ширина х Высота) |
мм | (2000 х 3) х 690 х 1160 | |
| Подъемный механизм (лебедка) | Модель | LTD630 | |
| Количество | шт. | 2 | |
| Электродвигатель со встроенным тормозом | Модель | YEJ90L-4 | |
| Мощность | кВт | 1,5 | |
| Напряжение | В | 3-фазный ток, перем., 380 В | |
| Скорость вращения | об/мин | 1420 | |
| Момент торможения | Н.м | 15 | |
| Ловители, одновременно являющиеся ограничите-лями угла наклона платформы | Модель | SL-A 30 | |
| Количество | шт. | 2 | |
| Угол наклона платформы, при котором срабатывает ловитель, в пределах | град. | 3 … 8 | |
| Допустимое ударное усилие | кН | 30 | |
| Масса основных элементов | Рабочая платформа с лебедками, ловителями, электро-оборудованием и др. | кг | 450 (металл) или 300 (алюминий) |
| Лебедки | кг | 48 х 2 | |
| Ловители | кг | 5 х 2 | |
| Электрошкаф | кг | 15 | |
| Устройство для подвешивания платформы | кг | 2 х 175 кг (без массы противовеса) |
|
| Противовес | кг | 900 (25х36) | |
| Всего подъемника в сборе, не более | кг | 1800 (металл) или 1650 (алюминий) |
|
| Канат | Тип | 4х31SW+FC-8.30 | |
| Диаметр | мм | 8,3 | |
| Усилие обрыва, не менее | Н | 51800 | |
| Кабель | Тип | 3х2,5 + 2х1.0 | |
| Вес | кг/м | 3,3 |
*Примечание: Высота подъема может быть увеличена до 150 м при одновременном снижении грузоподъемности, как показано в таблице ниже:
| Высота подъема (высота здания), м | Грузоподъемность, кг |
| до 50 | 630 |
| от 50 до 100 | 550 |
| от 100 до 120 | 510 |
| от 120 до 150 | 460 |
Часть 3.
Конструкция.
Оборудование состоит из устройств для подвешивания платформы, рабочей платформы, подъемных механизмов, ловителей, кабеля, канатов, электрошкафа и электрической системы управления.

Рис. 1. Общий вид подъемника
Оборудование можно разобрать на сборочные узлы и детали, что облегчает его транспортировку. На новой рабочей площадке оно собирается заново.
Устройство для подвешивания платформы
Устройство для подвешивания платформы состоит из двух одинаковых подвесных устройств (см. Рис.2). Они устанавливаются наверху здания (на крыше) для подвешивания на канатах платформы фасадного подъемника.
Каждое из подвесных устройств включает в себя следующие элементы: передняя, задняя и верхняя опоры, передняя балка (консоль), средняя балка, задняя балка, трос и противовес. Средняя балка установлена между передней и задней балками. Расстояние между передней и задней опорами может регулироваться с шагом 0,2 м за счет изменения положения отверстий для соединительных болтов балок. Высота установки балок также может регулироваться (регулируемая высота составляет 1,3 – 1,8 м, с шагом 0,1 м) за счет изменения положения отверстий для соединительных болтов передней и задней опор.
Трос соединен с концами передней и задней балок через верхний конец верхней опоры. Затягивание натяжного винта (талрепа) приводит к натяжению троса, что увеличивает жесткость всего устройства в целом.
1- передняя балка. 2- передняя опора. 3- средняя балка. 4- задняя балка.
5- соединительный элемент. 6- задняя опора. 7- противовес (балласт). 8- верхняя опора. 9- трос. 10- натяжной винт (талреп).
Рис. 2. Общий вид подвесного устройства
Устройства для подвешивания платформы монтируются таким образом, чтобы обеспечить не менее чем трехкратный запас устойчивости подъемника.
Рабочая платформа
Рабочая платформа со всех сторон огорожена перилами. Она предназначена для перемещения операторов, инструмента и материалов для работы на высоте.

Рис. 3. Общий вид платформы
Рабочая платформа состоит из трех основных секций и двух подъемных кареток, по одной на каждой стороне. Каждая основная секция включает в себя более высокий передний поручень, более низкий задний поручень (со стороны фасада здания) и плиту основания.
На раме платфомы смонтированы другие элементы и узлы подъемника: лебедки, ловители, защита от перегрузки, электрооборудование, ролики и др.
Лебедка
Лебедка типа ZLP630 включает в себя: электродвигатель с встроенным электромагнитным дисковым тормозом, ограничитель центробежной скорости, двухступенчатую систему замедления и канатоведущий шкив. В лебедке применен тяговый механизм каната, который может автоматически тянуть канат, для этого оператору достаточно только вставить канат в проем для каната в лебедке.
Рис. 4. Общий вид лебедки

При сбое питания (или иной ситуации) для опускания подъемника вручную необходимо разблокировать тормоз. Для этого имеется специальный штырь, который необходимо вставить в отверстие рычага электромагнитного тормоза (в кожухе вентилятора электродвигателя). Если приподнять штырь вверх, пружина, сжимающая диски тормоза ослабнет, что обеспечит опускание платформы (См. приложение 1). Опускание платформы вручную надо проводить одновременно с двух сторон двумя операторами, что исключит наклон платформы.
Имеющийся в лебедке ограничитель центробежной скорости обеспечивает дополнительное торможение и не позволяет платформе набрать большую скорость (не более 150 % от номинальной скорости) при опускании платформы вручную.
Для смазывания лебедки применяется трансмиссионное масло, которое должно заменяться каждые 6 – 12 месяцев. Рекомендуется масло для транспортных средств (2 л), а для летнего периода в южных регионах рекомендуется промышленное трансмиссионное масло для средних нагрузок.
Ловители
Фасадный подъемник оборудован ловителями типа SL-A30, которые устанавливаются соответственно в стойках ловителей на торцевых стенках платформы рядом с лебедкой.
Ловитель состоит из корпуса, через который пропущен предохранительный канат, и подпружиненный рычаг, который через ролики контактирует с подъемным канатом.
В нормальном состоянии ловителя, когда на рычаге нет внешней нагрузки, детали замка ловителя надежно фиксируют предохранительный канат от перемещений. При внешнем воздействии на рычаг действие пружины ослабевает и детали замка позволяют предохранительному канату свободно перемещаться.
В рабочем положении подъемника, когда подъемный канат натянут (весом платформы), он, воздействуя рычагом на пружину ловителя, ослабляет ее, поэтому предохранительный канат находится в разблокированном состоянии. В этом случае возможны подъем и опускание платформы.
Когда подъемный канат рвется или фасадный подъемник накреняется на определенный угол, давление подъемного каната на колесо рычага ловителя исчезает, и детали замка ловителя возвращаются в первоначальное «заблокированное» положение и блокировочный механизм ловителя прочно удерживает предохранительный канат.
Настройка угла блокировки (см. Рис.5).

Эти два каната являются основными элементами, определяющими грузоподъемность фасадного подъемника, поэтому к ним предъявляются строгие требования. И тот и другой сделаны из специальной высокопрочной оцинкованной стальной проволоки, обладающей хорошей стойкостью к воздействию коррозии.
Концы каната заварены и утонены путем специальной обработки после отрезания на нужную длину, чтобы избежать распускания и облегчения заведения в лебедку и ловитель.
Длина канатов подбирается по высоте здания, но не может превышать 150 м.
Силовой кабель
Силовой кабель соединяет электрошкаф с электросетью. Это проводник для подачи электроэнергии на рабочую платформу.
Буферные ролики
Буферные ролики устанавливаются на стороне платформы, обращенной к фасаду как показано на рис. 6. Они нужны для придания платформе устойчивости (предотвращают вращение и качание платформы) и для защиты фасада здания от повреждения при контакте с платформой. Рис. 6. Буферные ролики 
Лебедка устанавливается на на платформу не непосредственно, а через специальное защитное устройство, в состав которого входит тарированная пружина с конечным выключателем (см. рис.7). Чем больше нагружена платформа, тем больше растянута пружина. При превышении допустимой нагрузки срабатывает конечный выключатель, и подъем груза становится невозможным.
Рис. 7. Защита от перегруза

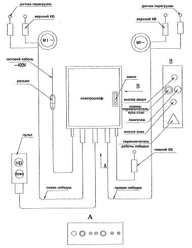
Электрическая система управления
Электрическая система включает в себя электрошкаф, электродвигатели с встроенными электромагнитными тормозами, верхние конечные выключатели, датчики перегрузки и выносной пульт управления (см. рис.8).
Питание
Для питания задействована трехфазная пятижильная линия с заземлением. Для подачи питания в электрошкаф вставить пятижильный кабель 2,5 мм2 в силовое гнездо Q1 и подать питание. Х1, Х2, Х3 – это трехфазные силовые провода, N – нейтральный проводник, PE – предохранительное заземление. Подключить питание на основе трехфазной пятижильной схемы.
Аварийное торможение и цепь защиты от перегрузок
Энергия передается через главный контактор КМ1 (см. приложение 2) на контакторы управления электродвигателями КМ2 и КМ3 соответственно и далее через тепловое реле FR1 на электродвигатели.
В экстренном случае, если нажать выключатель на панели электрошкафа, то главный контактор КМ1 отключится, и подъемник прекратит работать. Тепловое реле автоматически отключает электричество при перегрузке электродвигателя.
Два электродвигателя могут работать синхронно или отдельно, что контролируется селекторным выключателем на панели электрошкафа (при передвижении селекторного выключателя вправо или влево, соответствующая одна из лебедок работает отдельно).
Рис. 8. Электрооборудование

Тормоз электродвигателя установлен в кожухе вентилятора. Электропитание тормозов TZ1 и TZ2 преобразуется из 220В переменного тока в 99В постоянного тока в модуле выпрямления полуволны с помощью контрольного выключателя, а контроль аварийного торможения обеспечивается контактором.
Работа цепи управления
Цепь управления работает при малом напряжении 36 В, которое выдает трансформатор для безопасной и удобной работы.
Управление производится через электрошкаф, либо с переносного пульта.
Цепь тревожного оповещения о верхнем/нижнем пределах
Необходимо установить ограничитель верхнего/нижнего пределов перемещения платформы в соответствующих местах рабочей зоны подъемника. Когда конечный выключатель касается ограничителя верхнего/нижнего предела, электродвигатель прекращает работать, и звенит звонок тревожного сигнала.
(Примечание: Цепь тревожного оповещения о нижнем пределе является дополнительным и заказывается отдельно).
Дополнительное электропитание
Электропитание для освещения или электрических инструментов мощностью не более 500 Вт может подключаться к соединительному выводу электрошкафа. Прочие внешние электрические компоненты подключаются соответственным образом к специальным выводам в электрошкафу (см. приложение 3). Однако, использование таких потребителей большой мощности, как сварочные аппараты, запрещается, чтобы предохранить от повреждения схему и элементы.
Часть 5.
Установка, наладка и эксплуатация
1. Установка устройства для подвешивания платформы.
Устройство для подвешивания платформы, которое устанавливается на верху (на крыше) здания, состоит из двух подвесных устройств и представляет собой стальную опорную конструкцию, которая является несущей для канатов, платформы и перемещаемых грузов.
Усилие, которое прилагается на точку опоры здания устройством для подвешивания платформы, должно соответствовать требованиям по грузоподъемности здания.
Рис. 9 Схема для расчета устойчивости устройства для подвешивания платформы

K = (G.b)/(F.a) ≥ 3
где К – коэффициент безопасности от опрокидывания;
G – общая масса противовеса, (кг);
F – общая масса платформы, электрооборудования подъемника и канатов, номинальная грузоподъемность и давление намотки, (кг).
Рекомендуемые значения параметра в (расстояние между осями передней и задней стоек) в зависимости от параметра a (расстояния от оси передней стойки до канатов) приведены в таблице:
| Параметр a (расстояние от оси передней стойки до канатов), мм | Параметр в (расстояние между осями передней и задней стоек), мм | |
| 1050 | Не менее 3500 | |
| 1250 | Не менее 4100 | |
| 1450 | Не менее 4600 |
Фасадный подъемник должен быть установлен и отрегулирован для работы на конкретном месте его применения.
Установка и настройка
· Разместить оборудование на горизонтальной поверхности. Подложить доски под колесики для выравнивания по горизонтали (если поверхность наклонная) и зафиксировать колесики в передней и задней опорах с помощью кулачков. Подложить планки под переднюю и заднюю опоры для предотвращения оказания давления на слой водостойкой изоляции (если это необходимо).
· Настроить высоту опоры, чтобы нижняя сторона передней балки была чуть повыше парапета, подложить доски между нижней стороной передней балки и парапетом для фиксирования подвесного устройства после его размещения, если это возможно.
· Консоль передней балки (параметр а) должна быть в пределах 1,05 – 1.450 м. При выходе за границы указанного выше диапазона необходимо сделать надежное усиление и уменьшить номинальную грузоподъемность подъемника. Эксплуатация подъемника после этого возможна только после согласования с Ростехнадзором.
· Отрегулировать расстояние между передней и задней опорами по возможности до максимума.
· Устройства для подвешивания платформы должны быть расположены так, чтобы расстояние между их осями соответствовали длине платформы, а оси были перпендикулярны фасаду здания.
· При натяжении троса талрепом конец передней балки должен подняться на 3 – 5 см.
· Количество зажимов U-образной конфигурации для фиксации троса и канатов в местах жесткой заделки должно быть не менее трех. Открытый конец зажима должен быть со стороны рабочей части троса (каната), и все зажимы должны быть обращены в одну сторону. Закрепить зажимы по одному от точки подвешивания и оставить трос (канат) слегка загибаться дугой после последнего зажима (см. Рис.10). Затягивать прижимные гайки, пока трос (канат) не будет сплющен до 1/2 — 1/3 в диаметре.

Платформа должна устанавливаться на подготовленной безопасной поверхности у стены (фасада), под устройством для подвешивания платформы.
· Площадка должна быть ровной и горизонтальной..
· Каждый стык основных секций должен быть приведен в порядок. После затягивания болтов рама всей платформы должна быть прямой без перекручиваний.
· При установке кареток лебедки стойка ловителя должна находиться снаружи платформы.
· Затянуть все соединительные болты.
Схема сборки платформы фасадного подъемника представлена в приложении 6.
3. Установка ловителя и лебедки
Ловитель и лебедка устанавливаются соответственно в стойках ловителя и опорах лебедки.
При установке ловителя колесо поворотного кронштейна должно быть обращено внутрь платформы.
При установке лебедки необходимо отцентровать прямоугольную канавку (на задней части лебедки) на несущей поверхности лебедки, вставить палец и установить штифт, зафиксировать лебедку на предохранительном поручне кареток лебедок с помощью двух соединительных болтов.
Лебедка может устанавливаться также при включенном питании. Для этого, нужно сначала пропустить конец подъемного каната в лебедку, когда она еще не находится на платформе, затем нажать кнопку UP (вверх), чтобы поднять лебедку на платформу для установки, проверить, что канат вышел, вытянуть канат аккуратно руками, когда он оказывается в проеме для каната, во избежание предотвращения повреждения конца каната.
4. Установка электрошкафа
Электрошкаф устанавливается на поручне в середине платформы, при этом его панель должна быть обращена внутрь платформы.
После того как электрошкаф зафиксирован, как показано на Рис.12, вставить соответствующие вилки силового кабеля, кабеля двигателя и кабеля переключателя в гнезда (внизу электрошкафа). Вставлять ровно, под прямым углом, чтобы не допустить повреждений.
Рис.12. Схема установки электрошкафа
5. Установка упорных роликов и противовеса
Установка упорного ролика
Упорный ролик предназначен для избжания и взаимного ударного воздействия между платформой и фасадом здания.
Упорный ролик устанавливается посередине предохранительного поручня платформы со стороны стены здания. Его расположение по длине настраивается в соответствии с положением несущих опор фасада здания, он фиксируется на предохранительном поручне с помощью винтов.
6. Установка ограничителя перемещения
Расстояние между контактами выключателя хода (он установлен на ловителе) и консолью подвесного устройства должно быть не менее 1,5 м. Надежно закрепить ограничительное устройство на предохранительном канате так, чтобы он прижимался к контакту выключателя перемещения. Должен звучать сигнал тревожного звонка и происходить отключение питания.
7. Испытания
Перед включением питания и после его отключения нужно провести тщательную проверку. Не осуществляйте запуск или настройку оборудования до тех пор, пока не будут выполнены все требования.
Проверка до включения питания
· Проверить, что подается трехфазный ток 380 В с заземлением, вывод силового кабеля закреплен надежно, а вес кабеля воспринимается не непосредственно вилкой, а специальным устройством.
· Настил люльки очистить от мусора, а в зимнее время также от снега и наледи.
· Проверить, что устройство для подвешивания платформы установлено соответствующим образом, устойчиво и надежно закреплено. Соединительные болты должны быть затянуты надежно, противовесы правильно зафиксированы и отвечают соответствующим требованиям.
· Проверить, что соединения тросов и канатов надежны.
· Проверить, что свисающие канаты находятся на нужном расстоянии друг от друга, не деформированы, не согнуты и не перекручены.
· Проверить, что лебедки, ловители и платформа установлены правильно, имеют надежные соединения, соединительные болты надежно затянуты, а на стыках нет деформаций или разрушений.
· Проверить, что соединители кабелей подключены правильно и надежно, а ловитель надежно зафиксирован.
· Проверить, что каждый соединительный винт провода в электрошкафу надежно затянут.
· Проверить, что на рабочем фасаде нет явных выступающих деталей или помех.
Проверка и требования после включения питания
· Включить электрошкаф, индикатор питания загорается, электрическая система получает питание.
· Перевести селекторный выключатель в положение влево, далее нажимать кнопки UP/DOWN (вверх/вниз) на панели и рычажный переключатель соответственно, левая лебедка начинает движение вверх/вниз.
· Перевести селекторный выключатель в положение вправо, далее нажимать кнопки UP/DOWN (вверх/вниз) на панели и рычажный переключатель соответственно, правая лебедка начинает движение в вверх/вниз.
· Перевести селекторный выключатель в среднее положение, далее нажимать кнопки UP/DOWN (вверх/вниз) на панели и рычажный переключатель соответственно, левая и правая лебедки начинают движение в вверх/вниз.
· Перевести селекторный выключатель в среднее положение и запустить и левую и правую лебедки. Нажать кнопку аварийной остановки (красную) на панели – двигатели останавливаются. Включить для возобновления работы двигателя.
· Перевести селекторный выключатель в среднее положение и запустить и левую и правую лебедки. Нажимать выключатель каждого хода соответственно, звучит звонок тревожного сигнала, и двигатели прекращают работать. Отпустить контакт – двигатели возобновляют работу.
Проверка и настройка перед работой
После установки нужно выполнить тщательные проверку и настройку до того, как на фасадный подъемник будет подано питание, и он начнет работать.
— Перевести селекторный выключатель электрошкафа в среднее положение и нажать кнопку UP (вверх), чтобы приподнять фасадный подъемник (платформу) примерно на 0,5 м над землей. Проверить, не наклонился ли при этом подъемник. Если нет, перевести селекторный выключатель на сторону high/low (высоко/низко), далее нажать кнопку UP/DOWN (вверх/вниз) для того, чтобы поднимать/опускать высокую/низкую сторону фасадного подъемника, пока он не окажется в горизонтальном положении, далее перевести селекторный выключатель в среднее положение.
— Держать нажатой кнопку UP для подъема фасадного подъемника, пока он не окажется в 6 – 8 м над землей, выждать минуту, далее нажать кнопку DOWN (вниз), чтобы опустить подъемник до высоты 0,5 м. Выждать еще раз минуту и после опустить его на землю.
При выполнении этой процедуры отмечайте следующее:
(1) нет ли нештатного шума от подъемника;
(2) не наклоняется ли подъемник;
(3) можно ли остановить его сразу без задержки.
— Для проверки возможности опускания платформы вручную поднять фасадный подъемник примерно на 3 м над землей. Вставить штырь (прилагается к подъемнику) в отверстие кожуха крышки электродвигателя, слегка повернуть штырь, чтобы платформа подалась вниз, отпустить штырь, когда платформа будет находится на высоте 0,5 м над землей, чтобы замедлить опускание, после чего снова нажать на штырь, чтобы опустить фасадный подъемник на землю.
При опускании обращать внимание на следующее:
(1) Ручное опускание должно выполняться стабильно, без сопротивления.
(2) Можно ли моментально затормозить ручное опускание.
(3) Не застопоривается ли ручное опускание.
— Повторить этапы 2 и 3, если необходимо.
Если имеется нехарактерный или слишком сильный шум, либо обе лебедки осуществляют подъем вразнобой, либо если фасадный подъемник продолжает опускаться после торможения, либо при ручном опускании имеется сопротивление, то это обычно происходит из-за того, что зазор электромагнитных тормозов оказывается слишком большим или слишком маленьким, либо зазор электромагнитных тормозов в двух лебедках оказывается неодинаковым. В этом случае нужно сразу же остановить механизм, опустить платформу вручную на землю, осмотреть механизм и отрегулировать зазор электромагнитного тормоза. Зазор между плитой основания и колодкой тормоза должен составлять 0,5 – 0,6 мм (см. Рис.13), также зазор по всем сторонам должен быть равномерным.

При настройке слегка ослабить три зажимных винта, повернув их против часовой стрелки, и повернуть опорные винты для достижения нужного зазора (зазор уменьшается при повороте винта против часовой стрелки и увеличивается при повороте по часовой стрелке), затем затянуть зажимные винты.
После настройки зазора повторять этапы 2 и 3, пока не будут выполнены все требования. После этого установить крышку на место.
Если после этого нештатный шум в лебедке не проходит, нужно открыть лебедку и осмотреть ее компоненты – они могут быть неправильно собраны или повреждены. Работа на подъемнике возможна только после ремонта.
Если во время ручного опускания произошла остановка, это значит, что ограничитель центробежной скорости не работает. В этом случае нужно немедленно прекратить опускание вручную, запустить электродвигатель для того, чтобы опустить платформу подъемника на землю, после чего произвести ремонт или замену ограничителя центробежной скорости.
— Перевести селекторный выключатель электрошкафа в среднее положение и нажать кнопку UP (вверх), чтобы поднять фасадный подъемник примерно на 2,5 м над землей. Перевести селекторный выключатель влево и нажать DOWN (вниз), чтобы проверить, что ловитель на левой стороне платформы может блокировать предохранительные канаты, когда платформа наклоняется на 3 – 8 градусов. Далее нажать UP, чтобы вернуть платформу в горизонтальное положение. Перевести селекторный выключатель вправо и нажать DOWN (вниз), чтобы проверить, что ловитель срабатывает, когда платформа наклоняется на 3 – 8 градусов.
— Поднять фасадный подъемник в самое высокое рабочее положение, проверить ход подъема, нет ли на канатах ослабления, изгибания, перекручивания или обрывов. При необходимости отбраковать и заменить канаты.
Работа после установки, настройки и проверки
Строго соблюдать правила безопасности при работе. Не нужно постоянно работать в режиме коротких ходов – остановок. Не использовать для подъема длинномерных материалов, а также в режиме постоянной работы в качестве подъемного крана.
Особые условия эксплуатации
Работа подъемника при температуре ниже минус 20˚С запрещена.
Инженерно – технический работник по надзору за безопасной эксплуатацией подъёмника должен провести дополнительный инструктаж машинистов подъёмника и обслуживающего персонала с записью в вахтенном журнале.
Приказом по предприятию, эксплуатирующему подъемник, должен быть назначен ответственный за измерение температуры, соблюдение температурного режима и измерение скорости ветра.
При достижении температуры ниже минус 20˚С работа подъемника должна быть прекращена. После повышения температуры письменное разрешение на пуск подъемника в работу должно выдаваться инженерно – техническим работником по надзору за безопасной эксплуатацией подъемника, после личного осмотра, с записью в вахтенном журнале подъемника;
В случае, когда подъемник находился при температуре ниже минус 40˚С и после повышения температуры, письменное разрешение на пуск подъемника в работу должно выдаваться после его обследования специализированной организацией.
При превышении скорости ветра рабочего состояния (более 10,8 м/с) работа подъемника должна быть прекращена, а платформа опущена на землю.
Часть 6.
Перечень возможных неисправностей и меры по устранению
| № | Проблема | Возможная причина | Меры по устранению |
| 1 | Фасадный подъемник не запускается | Ослабление соединений выключателя подъема/опускания. | Выполнить правильно соединения. |
| Повреждена кнопка управления. | Отремонтировать или заменить. | ||
| Слишком короткие перерывы между включениями. | Перерывы должны быть не менее 4 сек. | ||
| Не сброшена кнопка аварийного отключения. | Сбросить кнопку аварийного выключателя | ||
| Перегорел предохранитель в электрошкафу. | Заменить предохранитель. | ||
| 2 | После торможения фасадный подъемник продолжает опускаться | Слишком большой зазор электромагнитного тормоза. | Отрегулировать зазор или заменить фрикционную пластину. |
| 3 | Фасадный подъемник стопорится в режиме ручного опускания | Неодинаковые зазоры электромагнитного тормоза двух лебедок. | Сделать зазоры одинаковыми. |
| Неправильно работает ограничитель центробежной скорости. | Заменить ограничитель центробежной скорости | ||
| 4 | При отпускании рабочей кнопки фасадный подъемник не останавливается | Контактор не обеспечивает расцепление. | Убрать грязь с поверхности контактора, либо заменить его, либо заменить или отремонтировать кнопку или выключатель |
| 5 | После подъема (опускания) подъемника он не опускается (не поднимается) | Контактор не обеспечивает расцепление. | Убрать грязь с поверхности контактора, либо заменить его |
| 6 | Повышенный шум от лебедки, перегрев, дым, запах гари от электродвигателя | Слишком малый зазор электромагнитного тормоза. | Отрегулировать зазор или заменить фрикционную пластину. |
| 7 | Фасадный подъемник не поднимается после запуска электродвигателя; ненормальный шум от лебедки; перегрев электродвигателя | Поврежден элемент редукторной передачи подъемника. | Проверить и заменить поврежденные компоненты. |
| Коррозия оболочки каната или самого каната подъемника. | Привести в порядок оболочку каната или канат. | ||
Skip to content
г. Москва, район Курьянова, Проектируемый проезд 4294, владение 20
- Аренда
- О компании
- Письменные отзывы наших клиентов
- Условия аренды
- Каталог
- Аренда строительных кранов в Краснодарском крае
- Сервис
- Установка строительных подъемников
- Техническое обслуживание фасадных подъёмников
- Ремонт фасадных подъёмников
- Контакты
- Аренда
- О компании
- Письменные отзывы наших клиентов
- Условия аренды
- Каталог
- Аренда строительных кранов в Краснодарском крае
- Сервис
- Установка строительных подъемников
- Техническое обслуживание фасадных подъёмников
- Ремонт фасадных подъёмников
- Контакты
Документы – Инструкции по эксплуатации и паспорта
You are here:
- Home
- Документы – Инструкции по эксплуатации…
Инструкции по эксплуатации и паспорта
Инструкция по эксплуатации фасадного подъемника ZLP 630
Паспорт на фасадный подъемник типа ZLP
Связаться с нами
Документы – Технорент, компания по аренде и сервису фасадных подъемников ZLP 630
На данной странице Вы можете ознакомиться с договорами на аренду и сервис строительного оборудования от кампании Технорент. Скачать прайс-лист по сервису строительной люльки ZLP 630, скачать прайс-лист стоимости запасных частей фасадного подъемника ZLP 630. Ознакомиться с инструкцией по монтажу фасадной люльки ZLP 630 и с инструкцией по техническому обслуживанию фасадного подъемника ZLP 630.
ДОГОВОР АРЕНДЫ ОБОРУДОВАНИЯ
ДОГОВОР ОФЕРТЫ НА ОКАЗАНИЯ УСЛУГ
ПРАЙС ПО УСЛУГАМ
ПРАЙС ПО ЗАПАСНЫМ ЧАСТЯМ
ИНСТРУКЦИЯ ПО МОНТАЖУ
ИНСТРУКЦИЯ ПО ТЕХНИЧЕСКОМУ ОБСЛУЖИВАНИЮ
Контакты:
Екатеринбург, ул.Кирова, 28 А – СКЛАД
Екатеринбург, ул. Репина, 42 А – ОФИС 401
Пн-Пт: с 09.00 до 18.00
Сб-Вс: выходной



